新闻中心

重磅!GB 6441-2025 来了!

发布时间:2026-01-23 信息来源:全国标准信息公共服务平台 浏览次数:237

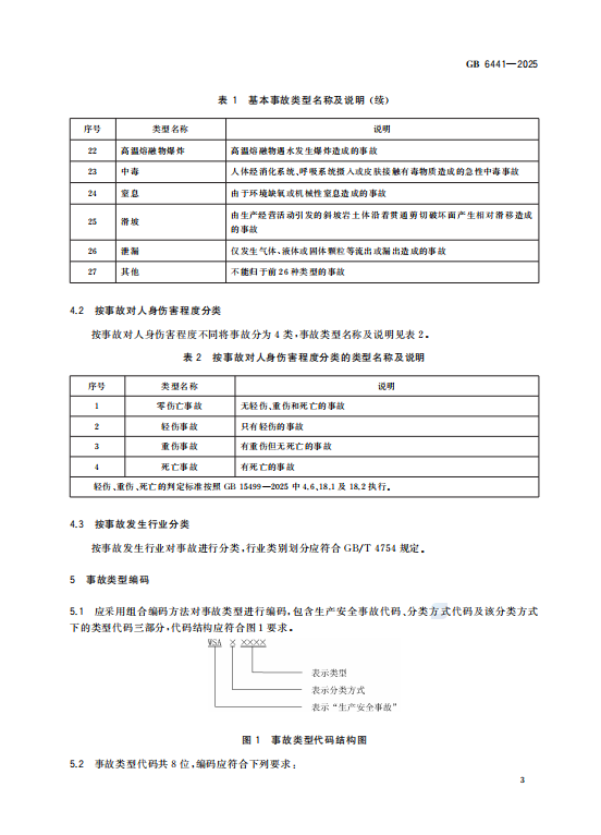
应急管理部征求意见:《生产安全事故分类与编码》(GB6441-XXXX)代替《企业职工伤亡事故分类》(GB/T 6441-1986),将于 2026 年 7 月 1 日 起正式实施。这不仅意味着沿用了整整 40 年 的旧标准(GB/T 6441-1986)将彻底退出历史舞台,更重要的是 ——它由原来的 “推荐性标准” 升级为了 “强制性标准”!

 缑(gou)经理


客户服务热线
028-85596771

给我们留言